(editor’s note: Intrigued by the problem? Have a similar challenge? Have a question or another solution? Then click the “Read more” link and follow the conversation on EDAboard.com or log in to EDAboard and participate in the microcontroller forum thread.)
Find the amplitude of sine wave in CCS C – I am using a PIC18F6722 microcontroller. I have hooked up a function generator to pin A1 to get the various values for the sinewave. I want to write code to find the amplitude of the sine wave. How should I go about doing this? This is my code so far. Read more
Voltage regulator not working – I am trying to build a boost regulator to get an output of 5V with input voltage from Li-Po battery (3.2v to 4.2v) using MCP1640B (6 pin sot23) but the output voltage I am getting is as equal to the input voltage. As per the datasheet, the resistor to be used at FB pin should be 976K and 309K. But a 976K resistor is not easily available in the market so I am using a 510K and 470K resistor in series. Can anybody please help me to resolve the issue. Read more
PIC18F2520 external interrupt – I want to make a microcontroller to enable interrupt when Gnd is connected to INT0 (RB0) microcontroller but my code is working only when 5 v or VDD is given to INT0 (RBO). Read more
PIC18F series Power Control PWM configuration – I am trying to build a BLDC motor controller with the PIC18F4431 MCU. My plan is to use the six-step sensorless trapezoidal commutation — complementary and unipolar PWM. The reason I chose this is to use synchronous rectification instead of simplt using the MOSFET intrinsic diodes. This means that, at any given time, both MOSFETs for a phase will be PWM switching (the lower one as the complement of the high one + dead time), in another phase the high one will be off and the low one with be on (no PWM) and finally the third phase will have both MOSFETs off. The problem is that I don’t see a way to configure the Power Control PWM module to allow this. Is there a way to configure this MCU for this driving requirements? Read more
16F877A RFID and Bluetooth – I started a new project for school and I am lost. I’ve never use PIC before. The project is a door that can open with a RFID cart and/or with a Bluetooth via an app. For this project I will use a PIC 16F877A, Bluetooth: HC-05, RFID (Q5M-005), I2C, Bus CAN, UART, SPI, easyPIC 4. I use Proteus, isis, ares and mikroC PRO for PIC. Read more
What is the main function of esp8266? – I have NodeMcu esp8266 wifi with an internally connected microcontroller. I know Arduino well, but I have nodemcu and i cant find some videos of it (how to run it). I also can’t command it. I have tried to command with Arduino software. Read more
Controlling a fan by a microcontroller – I have a mini project which consists of realizing a temperature control by operating fans controlled by a microcontroller. I need to use a temperature sensor and a 2 x 16 LCD display (to display the temp. measurement). How do I do the relay between the microcontroller and the fan? Read more
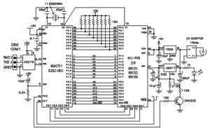
Trying to understand this programmer – I am see a programmer for AT89C51 microcontroller as shown below. As far as I understand, the target AT89C51 will go into the ZIP socket. Does this mean the other is used to program the target AT89C51 uC on the ZIP socket? Read more
EEPROM write when power loss – I want to store the data when the POWER is Loss or Down. So I connected to the interrupt pin with the help of diode
I used 1000μf/25V capacitor to store the power to write EEPROM DATA. Read more
ARM microcontroller development – I am just moving from 16-bit microcontrollers over to ARM 32-bit microcontrollers. I currently use embedded C on 16-bit development and I am thinking of moving over to C++ on the ARM. Generally speaking, when developing RTOS and also embedded Linux, do the majority of people use C++ or C? Is C++ becoming the norm on the larger core MCUs and, if yes< what are the key benefits?. Read more




Leave a Reply